關於我們
公司沿革
服務項目
代理經銷
最新消息
產品介紹
明緯 (MEAN WELL)
西門子 (SIEMENS)
施耐德 (Schneider)
士林電機 (Shinlin)
菲尼克斯 (PHOENIX)
安川 (YASKAWA)
東元電機(TECO)
洛克威爾(Rockwell Automation Allen-Bradley)
富士電機(FUJI)
天得(Tend)
其他耗材
技術支援
留言板
客服中心
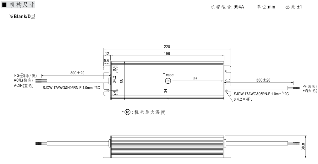
HLG- 120 H
首頁
/
產品介紹
/
LED電源
/
HLG- 120 H
我要詢價
產品名稱: HLG- 120 H
產品編號:
HLG- 120 H
120W恒流型+恒壓型LED驅動器
特性
:
恒流模式+恒壓模式輸出
金屬外殼,ClassⅠ 設計
內置主動式PFC功能
IP67 / IP65防護等級,戶內戶外安裝均可
功能可選:輸出內部電位器調整三合一調光;定時調光
壽命>62000小時
7年保固
%>