產品名稱: HLG- 60 H
產品編號: HLG- 60 H
60W恒流型+恒壓型LED驅動器
特性:
恒流模式+恒壓模式輸出
金屬外殼,CIassⅠ 設計
內置主動式PFC功能
Class 2電源
IP67 / IP65防護等級,戶內戶外安裝均可
功能可選:輸出內部電位器調整三合一調光;定時調光
壽命>62000小時
7年保固

型號 |
|
|
|
|
|
|
|
|
|
輸出 |
直流電壓 |
15V |
20V |
24V |
30V |
36V |
42V |
48V |
54V |
恒電流範圍 備註4 |
9 ~ 15V |
12 ~ 20V |
14.4 ~ 24V |
18 ~ 30V |
21.6 ~ 36V |
25.2 ~ 42V |
28.8 ~ 48V |
32.4 ~ 54V |
|
額定電流 |
4A |
3A |
2.5A |
2A |
1.7A |
1.45A |
1.3A |
1.15A |
|
額定功率 |
60W |
60W |
60W |
60W |
61.2W |
60.9W |
62.4W |
62.1W |
|
紋波與雜訊(最大)備註2 |
150mVp-p |
150mVp-p |
150mVp-p |
200mVp-p |
200mVp-p |
300mVp-p |
300mVp-p |
300mVp-p |
|
電壓調整範圍 |
僅A/AB型可調(通過內部電位器) |
||||||||
13.5 ~ 17V |
17 ~ 22V |
22 ~ 27V |
27 ~ 33V |
33 ~ 40V |
40 ~ 46V |
44 ~ 53V |
49 ~ 58V |
||
電流調整範圍 |
僅A/AB型可調(通過內部電位器) |
||||||||
2.4 ~ 4A |
1.8 ~ 3A |
1.5 ~ 2.5A |
1.2 ~ 2A |
1 ~ 1.7A |
0.87 ~ 1.45A |
0.78 ~ 1.3A |
0.69 ~ 1.15A |
||
電壓精度 備註3 |
±2.0% |
±1.0% |
±1.0% |
±1.0% |
±1.0% |
±1.0% |
±1.0% |
±1.0% |
|
線性調整率 |
±0.5% |
±0.5% |
±0.5% |
±0.5% |
±0.5% |
±0.5% |
±0.5% |
±0.5% |
|
負載調整率 |
±1.5% |
±1.0% |
±0.5% |
±0.5% |
±0.5% |
±0.5% |
±0.5% |
±0.5% |
|
啟動,上升時間 備註6 |
500ms,80ms/115VAC 500ms,80ms/230VAC |
||||||||
保持時間(Typ.) |
16ms / 115VAC, 230VAC |
||||||||
輸入 |
電壓範圍 備註5 |
90 ~ 305VAC 127 ~ 431VDC(請參考"靜態特性曲線") |
|||||||
頻率範圍 |
47 ~ 63Hz |
||||||||
功率因數(Typ.) |
PF≧0.98/115VAC, PF≧0.95/230VAC, PF≧0.92/277VAC@滿載時(請參考 "功率因素特性曲線" ) |
||||||||
總諧波失真 |
THD< 20% (@負載≧60% / 115VAC,230VAC; @負載≧75% / 277VAC)(請參考 "總諧波失真特性曲線" ) |
||||||||
效率(Typ.) |
87.5% |
89% |
89.5% |
90% |
90% |
90% |
90.5% |
90.5% |
|
交流電流(Typ.) |
0.64A / 115VAC 0.32A / 230VAC 0.3A / 277VAC |
||||||||
浪湧電流(Typ.) |
冷開機55A(在50% Ipeak下測試twidth=265μs) @ 230VAC; Per NEMA 410 |
||||||||
16A斷路器可配置同型號電源供應器之數量 |
於230VAC時, 可配置9台 (B型斷路器) / 16台 (C型斷路器) |
||||||||
漏電流 |
<0.75mA / 277VAC |
||||||||
保護 |
過電流 |
95 ~ 108% |
|||||||
恒流限制,負載異常條件移除後可自動恢復 |
|||||||||
短路 |
打嗝模式,負載異常條件移除後可自動恢復 |
||||||||
過電壓 |
18 ~ 24V |
23 ~ 30V |
28 ~ 35V |
35 ~ 43V |
41 ~ 49V |
48 ~ 58V |
54 ~ 65V |
59 ~ 68V |
|
關斷輸出電壓,重啟恢復 |
|||||||||
過溫度 |
關斷輸出電壓,重啟恢復 |
||||||||
環境 |
工作溫度 |
Tcase=-40 ~ +80℃(請參考"輸出負載VS溫度"部分) |
|||||||
最大外殼溫度 |
Tcase=+80℃ |
||||||||
工作濕度 |
20 ~ 95% RH,無冷凝 |
||||||||
儲存溫度、濕度 |
-40 ~ +80℃, 10 ~ 95% RH |
||||||||
溫度係數 |
±0.03%/℃ (0 ~ 60℃) |
||||||||
耐振動 |
10 ~ 500Hz,5G 12分鐘/週期, X、Y、Z軸各72分鐘 |
||||||||
安規和 電磁相容 |
安全規範 備註8 |
UL8750(type”HL”), CSA C22.2 No. 250.0-08, BS EN/EN/AS/NZS 61347-1,BS EN/EN/AS/NZS 61347-2-13 independent,GB19510.1,GB19510.14,EAC TP TC 004,KC61347-1,KC61347-2-13(除AB型外), IP65或IP67認證通過;J61347-1, J61347-2-13 ; 設計參照BS EN/EN60335-1(定製品) |
|||||||
耐壓 |
I/P-O/P:3.75KVAC I/P-FG:2.0KVAC O/P-FG:1.5KVAC |
||||||||
絕緣阻抗 |
I/P-O/P, I/P-FG, O/P-FG:100M Ohms / 500VDC / 25℃/ 70% RH |
||||||||
電磁相容發射 備註8 |
符合BS EN/EN55015, BS EN/EN61000-3-2 Class C (@負載≧60%) ;BS EN/EN61000-3-3,GB/T 17743, GB17625.1, KS C 9815, KS C 9547, EAC TP TC 020 |
||||||||
電磁相容抗擾度 |
符合BS EN/EN61000-4-2,3,4,5,6,8,11; BS EN/EN61547,輕工業標準(浪湧抗擾度:線對地4KV,線對線:2KV), KS C 9815, KS C 9547, EAC TP TC 020 |
||||||||
其它 |
MTBF |
3396.9K hrs min. Telcordia SR-332 (Bellcore) ;345.8K hrs min. MIL-HDBK-217F (25℃) |
|||||||
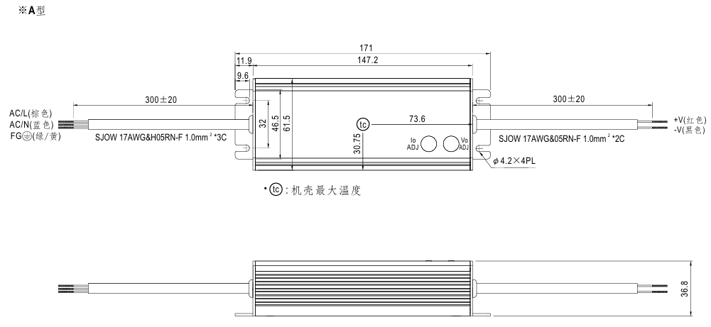
尺寸 |
171*61.5*36.8mm (L*W*H) |
||||||||
包裝 |
0.73Kg; 20pcs/15.6Kg/0.9CUFT |
||||||||
備註 |
※ 產品免責聲明:詳細請參閱http://www.meanwell.com.cn/serviceDisclaimer.aspx
|
||||||||



