產品名稱: HRP-300N3
產品編號: HRP-300N3
300W超高峰值開關電源
特性:
國際通用全範圍交流輸入
承受5秒300VAC浪湧輸入
350%峰值功率
內置恒流限流電路
保護種類:短路/超載/過壓/過溫
內置冷卻風扇開關控制
內置DC OK信號
具有遙感功能
承受5G振動
操作海拔高達5000米(備註5)
輸出電壓±15%內可調(平均)
高度低且僅41mm
5年保固

型號 |
HRP-300N3-12 |
HRP-300N3-24 |
HRP-300N3-36 |
HRP-300N3-48 |
|||
輸出 |
直流電壓 |
12V |
24V |
36V |
48V |
||
額定電流 |
27A |
14A |
9A |
7A |
|||
電流範圍 |
0 ~ 27A |
0 ~ 14A |
0 ~ 9A |
0 ~ 7A |
|||
額定功率 |
324W |
336W |
324W |
336W |
|||
紋波與雜訊(最大)備註2 |
120mVp-p |
150mVp-p |
250mVp-p |
250mVp-p |
|||
電壓調整範圍 |
10.2 ~ 13.8V |
21.6 ~ 28.8V |
28.8 ~ 39.6V |
40.8 ~ 55.2V |
|||
電壓精度 備註3 |
±1.0% |
±1.0% |
±1.0% |
±1.0% |
|||
線性調整率 |
±0.3% |
±0.2% |
±0.2% |
±0.2% |
|||
負載調整率 |
±0.5% |
±0.5% |
±0.5% |
±0.5% |
|||
啟動、上升時間 |
1000ms, 50ms/230VAC 2500ms, 50ms/115VAC (滿載時) |
||||||
保持時間(Typ.) |
16ms/230VAC 16ms/115VAC (滿載時) |
||||||
輸入 |
電壓範圍 備註4 |
85 ~ 264VAC 120 ~ 370VDC |
|||||
頻率範圍 |
47 ~ 63Hz |
||||||
功率因數(Typ.) |
PF>0.95/230VAC PF>0.99/115VAC (滿載時) |
||||||
效率(Typ.) |
88% |
87% |
88% |
89% |
|||
交流電流(Typ.) |
3.5A/115VAC 1.8A/230VAC |
||||||
浪湧電流(Typ.) |
35A/115VAC 75A/230VAC |
||||||
漏電流 |
<2mA / 240VAC |
||||||
保護 |
過負載 |
輸出功率>額定值105 %超過5秒,關斷輸出電壓,電源重啟後可恢復正常輸出 |
|||||
恒流限制輸出功率>額定值380%(1140W)超過5 秒,關斷輸出電壓,電源重啟後可恢復正常輸出 |
|||||||
過電壓 |
14.4 ~ 16.8V |
30 ~ 34.8V |
41.4 ~ 48.6V |
57.6 ~ 67.2V |
|||
保護模式:關斷輸出,電源重啟後可恢復正常輸出 |
|||||||
過溫度 |
TSW1:關斷輸出,溫度下降後可自動恢復 |
||||||
RTH3:關斷輸出,電源重啟後可恢復正常輸出 |
|||||||
功能 |
DC OK信號 |
PSU開: 3.3 ~ 5.6V ; PSU關 : 0 ~ 1V |
|||||
風扇控制(Typ.) |
負載35±15%或RTH2¾50℃,風扇開啟 |
||||||
環境 |
工作溫度 |
-40~+70℃ (請參考"減額曲線") |
|||||
工作濕度 |
20 ~ 90% RH,無冷凝 |
||||||
儲存溫度、濕度 |
-40 ~ +85℃, 10 ~ 95% RH ,無冷凝 |
||||||
溫度係數 |
± 0.03%/ ℃ (0 ~ 50℃) |
||||||
耐振動 |
10 ~ 500Hz, 5G 10分鐘/週期, X、Y、Z各60分鐘 |
||||||
操作海拔高度 備註5 |
5000 米 |
||||||
安規和電磁相容(備註6) |
安全規範 |
UL62368-1,TUV BS EN/EN62368-1, EAC TP TC 004, AS/NZS 62368.1 認證通過 |
|||||
耐壓 |
I/P-O/P:3KVAC I/P-FG:2KVAC O/P-FG:0.5KVAC |
||||||
絕緣阻抗 |
I/P-O/P, I/P-FG, O/P-FG:100M Ohms/500VDC/ 25℃/ 70% RH |
||||||
電磁相容發射 |
Parameter |
Standard |
Test Level / Note |
||||
Conducted |
BS EN/EN55032 |
Class B |
|||||
Radiated |
BS EN/EN55032 |
Class B |
|||||
Harmonic current |
BS EN/EN61000-3-2 |
Class A |
|||||
Voltage Flicker |
BS EN/EN61000-3-3 |
----- |
|||||
電磁相容抗擾度 |
BS EN/EN55035 , BS EN/EN61000-6-2(BS EN/EN50082-2) |
||||||
Parameter |
Standard |
Test Level / Note |
|||||
ESD |
BS EN/EN61000-4-2 |
Level 3, 8KV air; Level 2, 4KV contact |
|||||
RF field |
BS EN/EN61000-4-3 |
Level 3, 10V/m |
|||||
EFT/ Burst |
BS EN/EN61000-4-4 |
Level 3, 2KV |
|||||
Surge |
BS EN/EN61000-4-5 |
Level 4, 4KV/Line-FG; 2KV/Line-Line |
|||||
Conducted |
BS EN/EN61000-4-6 |
Level 3, 10V |
|||||
Magnetic Field |
BS EN/EN61000-4-8 |
Level 4, 30A/m |
|||||
Voltage Dips and Interruptions |
BS EN/EN61000-4-11 |
95% dip 0.5 periods, 30% dip 25 periods,95% interruptions 250 periods |
|||||
其它 |
MTBF |
1524.0K hrs min. Telcordia TR/SR-332 (Bellcore) ; 187.7K hrs min. MIL-HDBK-217F (25℃) |
|||||
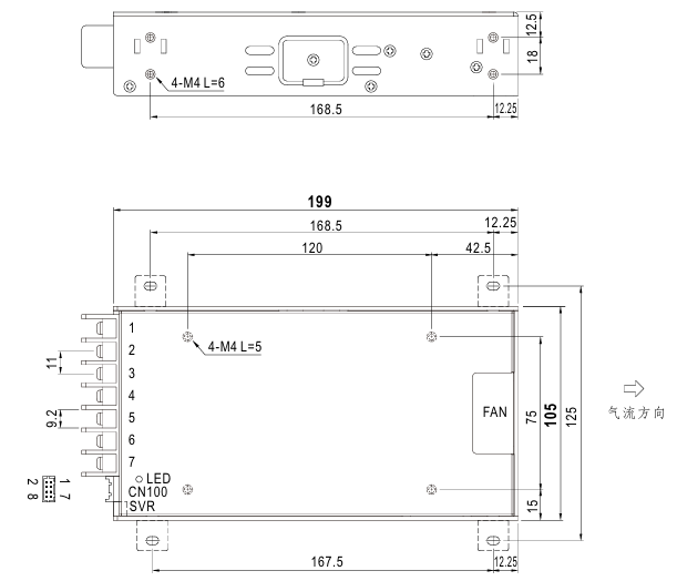
尺寸 |
199*105*41mm (L*W*H) |
||||||
包裝 |
0.9Kg;15pcs/14.5Kg/0.84CUFT |
||||||
備註 |
※ 產品免責聲明:詳情請參閱 http://www.meanwell.cc/serviceDisclaimer.aspx
|
||||||


.png)
