關於我們
公司沿革
服務項目
代理經銷
最新消息
產品介紹
明緯 (MEAN WELL)
西門子 (SIEMENS)
施耐德 (Schneider)
士林電機 (Shinlin)
菲尼克斯 (PHOENIX)
安川 (YASKAWA)
東元電機(TECO)
洛克威爾(Rockwell Automation Allen-Bradley)
富士電機(FUJI)
天得(Tend)
其他耗材
技術支援
留言板
客服中心
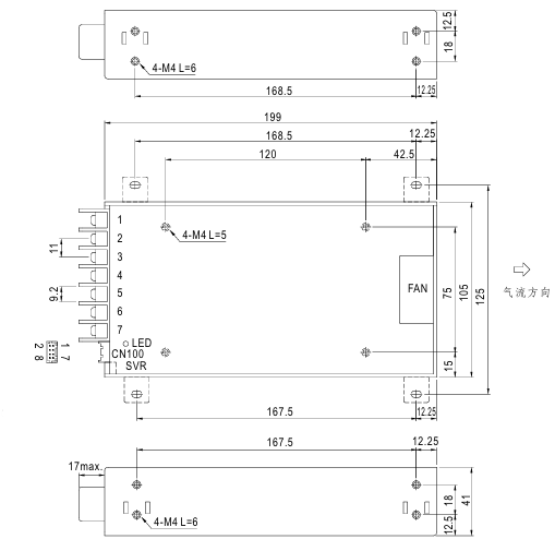
HRP-300
首頁
/
產品介紹
/
機殼型
/
HRP-300
我要詢價
產品名稱: HRP-300
產品編號:
HRP-300
300W單組輸出具有PFC功能開關電源
特性
:
國際通用全範圍交流輸入
具有主動式PFC功能,PF>0.95
效率可高達89%
能承受300VAC浪湧輸入5秒
保護種類:短路/過負載/過電壓/過溫度
具有恆流限制電路
高度低,僅41mm
具有冷卻風扇開關控制
具有DC OK信號輸出
具有遙感功能
5年保固
%>