產品名稱: HRP-150
產品編號: HRP-150
150W單組輸出具有PFC功能開關電源
特性:
國際通用全範圍交流輸入
具有主動式PFC功能,PF>0.95
效率可高達89%
能承受300VAC浪湧輸入5秒
保護種類:短路/過負載/過電壓/過溫度
自然風冷
具有恆流限制電路
1U外型僅38mm
具有遙感功能
5年保固

型號 |
HRP-150-3.3 |
HRP-150-5 |
HRP-150-7.5 |
HRP-150-12 |
HRP-150-15 |
HRP-150-24 |
HRP-150-36 |
HRP-150-48 |
|
輸出 |
直流電壓 |
3.3V |
5V |
7.5V |
12V |
15V |
24V |
36V |
48V |
額定電流 |
30A |
26A |
20A |
13A |
10A |
6.5A |
4.3A |
3.3A |
|
電流範圍 |
0 ~ 30A |
0 ~ 26A |
0 ~ 20A |
0 ~ 13A |
0 ~ 10A |
0 ~ 6.5A |
0 ~ 4.3A |
0 ~ 3.3A |
|
額定功率 |
99W |
130W |
150W |
156W |
150W |
156W |
154.8W |
158.4W |
|
紋波與雜訊(最大)備註2 |
80mVp-p |
80mVp-p |
100mVp-p |
120mVp-p |
150mVp-p |
150mVp-p |
200mVp-p |
240mVp-p |
|
電壓調整範圍 |
2.8 ~ 3.8V |
4.3 ~ 5.8V |
6.8 ~ 9V |
10.2 ~ 13.8V |
13.5 ~ 18V |
21.6 ~ 28.8V |
28.8 ~ 39.6V |
40.8 ~ 55.2V |
|
電壓精度備註3 |
±2.5% |
±2.5% |
±2.5% |
±1.5% |
±1.5% |
±1.5% |
±1.5% |
±1.5% |
|
線性調整率 |
±0.5% |
±0.5% |
±0.5% |
±0.3% |
±0.3% |
±0.2% |
±0.2% |
±0.2% |
|
負載調整率 |
±1.0% |
±1.0% |
±1.0% |
±0.5% |
±0.5% |
±0.5% |
±0.5% |
±0.5% |
|
啟動、上升時間 |
3000ms, 50ms/230VAC 3000ms,50ms/115VAC(滿載時) |
||||||||
保持時間(Typ.) |
16ms/230VAC 16ms/115VAC(滿載時) |
||||||||
輸入 |
電壓範圍 備註5 |
85 ~ 264VAC或120 ~ 370VDC |
|||||||
頻率範圍 |
47 ~ 63Hz |
||||||||
功率因數(Typ.) |
PF>0.95/230VAC PF>0.99/115VAC(滿載時) |
||||||||
效率(Typ.) |
78.5% |
85% |
87% |
88% |
88% |
88% |
89% |
89% |
|
交流電流(Typ.) |
1.7A/115VAC 0.9A/230VAC |
||||||||
浪湧電流(Typ.) |
35A/115VAC 70A/230VAC |
||||||||
漏電流 |
<1mA / 240VAC |
||||||||
保護 |
過負載 |
額定輸出功率的105%~ 135% |
|||||||
保護模式:恒流限制,負載異常條件移除後可自動恢復 |
|||||||||
過電壓 |
3.96 ~ 4.62V |
6 ~ 7V |
9.4 ~ 10.9V |
14.4 ~ 16.8V |
18.8 ~ 21.8V |
30 ~ 34.8V |
41.4 ~ 48.6V |
57.6 ~ 67.2V |
|
保護模式:關斷輸出,電源重啟後可恢復正常輸出 |
|||||||||
過溫度 |
關斷輸出電壓,溫度下降後自動恢復 |
||||||||
環境 |
工作溫度 |
-40~+70℃ (請參考"減額曲線") |
|||||||
工作濕度 |
20 ~ 90% RH,無冷凝 |
||||||||
儲存溫度、濕度 |
-50 ~ +85℃, 10 ~ 95% RH |
||||||||
溫度係數 |
±0.04%/℃ (0~50℃) |
||||||||
耐振動 |
10 ~ 500Hz, 5G 10分鐘/週期, X、Y、Z各60分鐘 |
||||||||
安規和電磁相容(備註4) |
安全規範 |
UL62368-1,TUV BS EN/EN62368-1,AS/NZS62368.1, EAC TP TC 004 認證通過 |
|||||||
耐壓 |
I/P-O/P:3KVAC I/P-FG:2KVAC O/P-FG:0.5KVAC |
||||||||
絕緣阻抗 |
I/P-O/P, I/P-FG, O/P-FG:100M Ohms/500VDC/ 25℃/ 70% RH |
||||||||
電磁相容發射 |
符合BS EN/EN55032 (CISPR32) Class B, BS EN/EN61000-3-2,-3, EAC TP TC 020 |
||||||||
電磁相容抗擾度 |
符合BS EN/EN61000-4-2,3,4,5,6,8,11, BS EN/EN55035, BS EN/EN61000-6-2,重工業標準, EAC TP TC 020 |
||||||||
其它 |
MTBF |
1742.7K hrs min. Telcordia SR-332 (Bellcore) ; 238.9K hrs min. MIL-HDBK-217F (25℃) |
|||||||
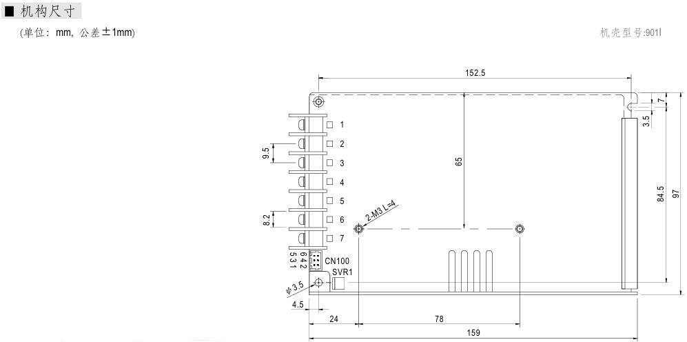
尺寸 |
159*97*38mm (L*W*H) |
||||||||
包裝 |
0.61Kg; 24pcs/15.6Kg/0.9CUFT |
||||||||
備註 |
※ 產品免責聲明:詳情請參閱 http://www.meanwell.cc/serviceDisclaimer.aspx
|
||||||||


