產品名稱: MSP-1000
產品編號: MSP-1000
1000W單組輸出醫用型開關電源
特性:
國際通用全範圍交流輸入
具有主動式PFC功能,PF>0.95
效率高達94%
能承受300VAC浪湧輸入5秒
保護種類:短路/過負載/過電壓/過溫度
醫療安規認證(2×MOPP級別)
對系統適當的考量,可適合BF型應用
具有冷卻風扇開關控制
並聯使用可達4000W(3+1)
有DC OK信號輸出
具有遙控開關
[email protected]待機
具有遙感功能
空載消耗< 0.75W(備註6)
5年保固
	
				型號 | 
			
				MSP-1000-12 | 
			
				MSP-1000-15 | 
			
				MSP-1000-24 | 
			
				MSP-1000-48 | 
		|||
				輸出 | 
			
				直流電壓 | 
			
				12V | 
			
				15V | 
			
				24V | 
			
				48V | 
		||
				額定電流 | 
			
				80A | 
			
				64A | 
			
				42A | 
			
				21A | 
		|||
				電流範圍 | 
			
				0 ~ 80A | 
			
				0 ~ 64A | 
			
				0 ~ 42A | 
			
				0 ~ 21A | 
		|||
				額定功率 | 
			
				960W (最大1000W,持續3秒) | 
			
				960W (最大1000W,持續3秒) | 
			
				1008W | 
			
				1008W | 
		|||
				紋波與雜訊(最大)備註2 | 
			
				150mVp-p | 
			
				150mVp-p | 
			
				200mVp-p | 
			
				250mVp-p | 
		|||
				電壓調整範圍 | 
			
				11 ~ 14V | 
			
				14 ~ 17V | 
			
				22 ~ 28V | 
			
				46 ~ 56V | 
		|||
				電壓精度 備註3 | 
			
				±2.0% | 
			
				±1.5% | 
			
				±1.0% | 
			
				±1.0% | 
		|||
				線性調整率 | 
			
				±0.5% | 
			
				±0.5% | 
			
				±0.5% | 
			
				±0.5% | 
		|||
				負載調整率 | 
			
				±2.0% | 
			
				±1.5% | 
			
				±0.5% | 
			
				±0.5% | 
		|||
				啟動、上升時間 | 
			
				1000ms, 50ms/230VAC 2000ms, 50ms/115VAC(滿載時) | 
		||||||
				保持時間(Typ.) | 
			
				16ms/230VAC 16ms/115VAC(滿載時) | 
		||||||
				輸入 | 
			
				電壓範圍 備註4 | 
			
				90 ~ 264VAC(300VAC持續5秒) 127 ~ 370VDC | 
		|||||
				頻率範圍 | 
			
				47 ~ 63Hz | 
		||||||
				功率因數(Typ.) | 
			
				PF>0.95/230VAC PF>0.98/115VAC(滿載時) | 
		||||||
				效率(Typ.) | 
			
				91.5% | 
			
				92% | 
			
				93% | 
			
				94% | 
		|||
				交流電流(Typ.) | 
			
				8.5A/115VAC 5A/230VAC | 
		||||||
				浪湧電流(Typ.) | 
			
				20A/115VAC 40A/230VAC | 
		||||||
				漏電流 | 
			
				對地漏電流< 360μA/264VAC , 接觸漏電流< 100μA/264VAC | 
		||||||
				保護 | 
			
				過負載 | 
			
				額定輸出功率的105 ~ 135% | 
		|||||
				保護模式:恒流限制,負載異常條件移除後可自動恢復 | 
		|||||||
				過電壓 | 
			
				14.5 ~ 16.5V | 
			
				18.2 ~ 20.6V | 
			
				29 ~ 33V | 
			
				58 ~ 65V | 
		|||
				保護模式:關斷輸出,電源重啟後可恢復正常輸出 | 
		|||||||
				過溫度 | 
			
				關斷輸出,溫度下降後可自動恢復 | 
		||||||
				功能 | 
			
				均流 | 
			
				可高達4000W或(3+1). 請參照功能手冊 | 
		|||||
				遙控 | 
			
				電源開啟: 短路; 電源關斷 : 開路. 請參照功能手冊 | 
		||||||
				遙感 | 
			
				遙感對負載線壓降補償最大為0.5V. 請參照功能手冊 | 
		||||||
				DC-OK信號 | 
			
				TTL 信號輸出, PSU開啟 = 3.3 ~ 5.6V ; PSU關斷 = 0 ~ 1V. 請參照功能手冊 | 
		||||||
				5V待機 | 
			
				5V待機 : [email protected] ;容差:±5%,紋波 : 50mVp-p(最大) | 
		||||||
				風扇控制 | 
			
				通過NTC(RT50)或30%最小負載開/關風扇。 | 
		||||||
				環境 | 
			
				工作溫度 | 
			
				-40 ~ +70℃ (請參考"減額曲線") | 
		|||||
				工作濕度 | 
			
				20 ~ 90% RH無冷凝 | 
		||||||
				儲存溫度、濕度 | 
			
				-40 ~ +85℃, 10 ~ 95% RH無冷凝 | 
		||||||
				溫度係數 | 
			
				±0.03%/℃ (0 ~ 50℃) | 
		||||||
				耐振動 | 
			
				10 ~ 500Hz, 5G 10分鐘/週期, X、Y、Z各60分鐘 | 
		||||||
				安規和電磁相容(備註8) | 
			
				安全規範 | 
			
				IEC 60601-1:2005+A1+A2, ANSI/AAMI ES60601-1:2005+A2, CAN/CSA C22.2 No. 60601-1:2014+A2,EAC TP TC 004認證通過; 設計參照BS EN/EN60335-1, BS EN/EN 62368-1(依要求) | 
		|||||
				隔離等級 | 
			
				初級-次級: 2×MOPP, 初級-地: 1×MOPP 次級-地: 1×MOPP | 
		||||||
				耐壓 | 
			
				I/P-O/P:4.5KVAC I/P-FG:2KVAC O/P-FG:1.5KVAC | 
		||||||
				絕緣阻抗 | 
			
				I/P-O/P, I/P-FG, O/P-FG:100M Ohms / 500VDC / 25℃/ 70% RH | 
		||||||
				電磁相容發射 | 
			
				Parameter | 
			
				Standard | 
			
				Test Level / Note | 
		||||
				Conducted | 
			
				BS EN/EN55011 (CISPR11) | 
			
				Class B | 
		|||||
				Radiated | 
			
				BS EN/EN55011 (CISPR11) | 
			
				Class B | 
		|||||
				Harmonic Current | 
			
				BS EN/EN61000-3-2 | 
			
				Class A | 
		|||||
				Voltage Flicker | 
			
				BS EN/EN61000-3-3 | 
			
				----- | 
		|||||
				電磁相容抗擾度 | 
			
				BS EN/EN60601-1-2, BS EN/EN55035 | 
		||||||
				Parameter | 
			
				Standard | 
			
				Test Level / Note | 
		|||||
				ESD | 
			
				BS EN/EN61000-4-2 | 
			
				Level 4, 15KV air ; Level 4, 8KV contact | 
		|||||
				Radiated | 
			
				BS EN/EN61000-4-3 | 
			
				Level 3 | 
		|||||
				EFT / Burst | 
			
				BS EN/EN61000-4-4 | 
			
				Level 3 | 
		|||||
				Surge | 
			
				BS EN/EN61000-4-5 | 
			
				Level 4, 2KV/Line-Line 4KV/Line-Earth | 
		|||||
				Conducted | 
			
				BS EN/EN61000-4-6 | 
			
				Level 3 | 
		|||||
				Magnetic Field | 
			
				BS EN/EN61000-4-8 | 
			
				Level 4 | 
		|||||
				Voltage Dips and Interruptions | 
			
				BS EN/EN61000-4-11 | 
			
				100% dip 1 periods, 30% dip 25 periods,100% interruptions 250 periods | 
		|||||
				其它 | 
			
				MTBF | 
			
				850.5K hrs min. Telcordia SR-332 (Bellcore) ; 105.8K hrs min. MIL-HDBK-217F (25℃) | 
		|||||
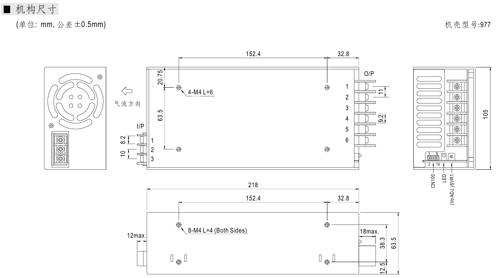
				尺寸 | 
			
				218*105*63.5mm (L*W*H) | 
		||||||
				包裝 | 
			
				1.53Kg;8pcs/13.3Kg/1.34CUFT | 
		||||||
				備註 | 
			
				
 
					(在明緯網站" https://www.meanwell.com//Upload/PDF/EMI_statement_cn.pdf) 
				
 
					※ 產品免責聲明:詳細請參閱http://www.meanwell.com.cn/serviceDisclaimer.aspx 
			 | 
		||||||
	.png)
.png)