產品名稱: MSP-200
產品編號: MSP-200
200W單組輸出醫用型開關電源
特性:
國際通用全範圍交流輸入
具有主動式PFC功能, PF>0.95
功率可高達89%
能承受300VAC浪湧輸入5秒
保護種類:短路/過負載/過電壓/過溫度
自然風冷
恒流限制電流
1U外型,高度38mm
醫療類安規認證(MOOP等級)
具有遙控開-關
[email protected]待機
具有遙感功能
空載功率消耗<0.5W (備註6)
5年保固

型號 |
MSP-200-3.3 |
MSP-200-5 |
MSP-200-7.5 |
MSP-200-12 |
MSP-200-15 |
MSP-200-24 |
MSP-200-36 |
MSP-200-48 |
|
輸出 |
直流電壓 |
3.3V |
5V |
7.5V |
12V |
15V |
24V |
36V |
48V |
額定電流 |
40A |
35A |
26.7A |
16.7A |
13.4A |
8.4A |
5.7A |
4.3A |
|
電流範圍 |
0 ~ 40A |
0 ~ 35A |
0 ~ 26.7A |
0 ~ 16.7A |
0 ~ 13.4A |
0 ~ 8.4A |
0 ~ 5.7A |
0 ~ 4.3A |
|
額定功率 |
132W |
175W |
200.3W |
200.4W |
201W |
201.6W |
205.2W |
206.4W |
|
紋波與雜訊 (最大)備註2 |
80mVp-p |
90mVp-p |
100mVp-p |
120mVp-p |
150mVp-p |
150mVp-p |
250mVp-p |
250mVp-p |
|
電壓調整範圍 |
2.8 ~ 3.8V |
4.3 ~ 5.8V |
6.8 ~ 9V |
10.2 ~ 13.8V |
13.5 ~ 18V |
21.6 ~ 28.8V |
28.8 ~ 39.6V |
40.8 ~ 55.2V |
|
電壓精度 備註3 |
±2.0% |
±2.0% |
±2.0% |
±1.0% |
±1.0% |
±1.0% |
±1.0% |
±1.0% |
|
線性調整率 |
±0.5% |
±0.5% |
±0.5% |
±0.3% |
±0.3% |
±0.2% |
±0.2% |
±0.2% |
|
負載調整率 |
±1.5% |
±1.0% |
±1.0% |
±0.5% |
±0.5% |
±0.5% |
±0.5% |
±0.5% |
|
啟動、上升時間 |
1000ms, 50ms/230VAC 2500ms, 50ms/115VAC(滿載時) |
||||||||
保持時間(Typ.) |
16ms/230VAC 16ms/115VAC(滿載時) |
||||||||
輸入 |
電壓範圍 備註5 |
85 ~ 264VAC 120 ~ 370VDC |
|||||||
頻率範圍 |
47 ~ 63Hz |
||||||||
功率因數(Typ.) |
PF>0.95/230VAC PF>0.99/115VAC(滿載時) |
||||||||
效率(Typ.) |
80% |
84% |
86% |
88% |
88% |
88% |
89% |
89% |
|
交流電流(Typ.) |
2.2A/115VAC 1.1A/230VAC |
||||||||
浪湧電流(Typ.) |
35A/115VAC 70A/230VAC |
||||||||
漏電流 備註7 |
對地漏電流< 300μA/264VAC , 接觸漏電流< 100μA/264VAC |
||||||||
保護 |
過負載 |
105 ~ 135%額定輸出功率 |
|||||||
保護模式: 恒流限制模式, 異常條件移除後可自動恢復 |
|||||||||
過電壓 |
3.96 ~ 4.62V |
6 ~ 7V |
9.4 ~ 10.9V |
14.4 ~ 16.8V |
18.8 ~ 21.8V |
30 ~ 34.8V |
41.4 ~ 48.6V |
57.6 ~ 67.2V |
|
保護模式:關斷輸出電壓,重啟恢復 |
|||||||||
過溫度 |
關斷輸出電壓, 溫度下降後可自動恢復 |
||||||||
功能 |
5V待機 |
5V待機 : [email protected] ; 容差 ± 5%, 紋波: 50mVp-p(最大) |
|||||||
遙控 |
RC+ / RC-: 4 ~ 10V或開路= 電源啟動 ; 0 ~ 0.8V或短路=電源關斷 |
||||||||
環境 |
工作溫度 |
-40~+70℃ (請參考"減額曲線") |
|||||||
工作濕度 |
20 ~ 90% RH,無冷凝 |
||||||||
儲存溫度、濕度 |
-40 ~ +85℃, 10 ~ 95% RH |
||||||||
溫度係數 |
±0.03%/℃ (0 ~ 50℃) |
||||||||
耐振動 |
10 ~ 500Hz, 5G 10分鐘/週期, X、Y、Z軸各60分鐘 |
||||||||
安規和 電磁相容(備註4) |
安全規範 |
IEC 60601-1:2005+A1+A2,ANSI/AAMI ES60601-1:2005+A2,CAN/CSA C22.2 No. 60601-1:2014+A2 EAC TP TC 004 認證通過, 設計參考BS EN/EN60335-1, BS EN/EN 62368-1(根據要求) |
|||||||
絕緣防護等級 |
一次側-二次側: 2×MOOP, 一次側-接地: 1×MOOP |
||||||||
耐壓 |
I/P-O/P:4KVAC I/P-FG:2KVAC O/P-FG:0.5KVAC |
||||||||
絕緣阻抗 |
I/P-O/P, I/P-FG, O/P-FG:100M Ohms / 500VDC / 25℃/ 70% RH |
||||||||
電磁相容發射 |
符合BS EN/EN55011 (CISPR11) Class B, BS EN/EN61000-3-2,-3,EAC TP TC 020 |
||||||||
電磁相容抗擾度 |
符合BS EN/EN61000-4-2,3,4,5,6,8,11, BS EN/EN55035, BS EN/EN60601-1-2,EAC TP TC 020 |
||||||||
其它 |
MTBF |
1609.5K hrs min. Telcordia SR-332 (Bellcore) ; 186.2K hrs min. MIL-HDBK-217F (25℃) |
|||||||
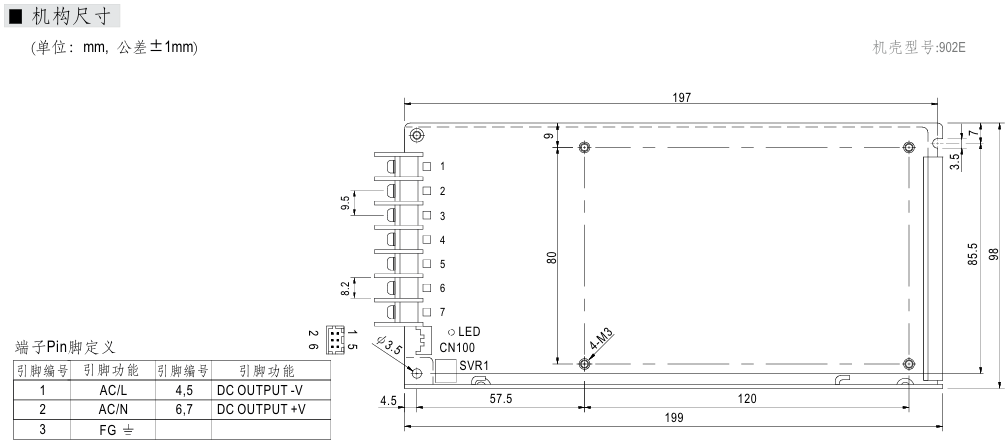
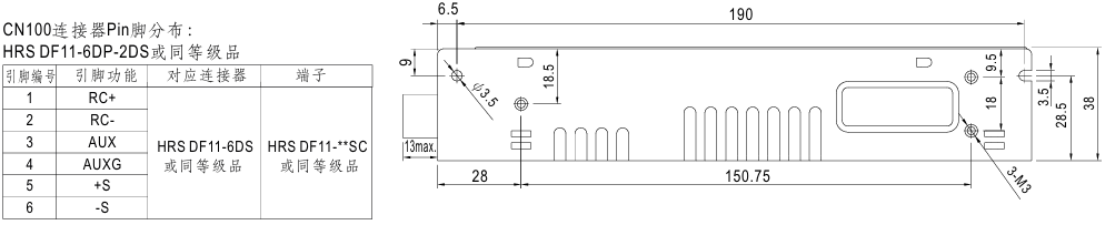
尺寸 |
199*98*38mm (L*W*H) |
||||||||
包裝 |
0.77Kg; 18pcs/14.9Kg/0.87CUFT |
||||||||
備註 |
8 當海拔高度超過2000米(6500英尺)時,無風扇機型環境溫度依每3.5℃/1000m比例下降,有風扇機型環境溫度依每5℃/1000m比例下降。
※ 產品免責聲明:詳情請參閱 http://www.meanwell.cc/serviceDisclaimer.aspx
|
||||||||

