產品名稱: RSP- 320
產品編號: RSP- 320
320W單組輸出帶PFC功能電源供應器
特性:
國際通用全範圍交流輸入
內建主動式PFC功能
效率可高達90%
內置直流風扇強制風冷
保護種類:短路/過負載/過電壓/過溫度
最高工作海拔5000米
可選防潮作業
LED指示電源開啟
3年保固

機型 |
RSP-320-2.5 |
RSP-320-3.3 |
RSP-320-4 |
RSP-320-5 |
RSP-320-7.5 |
RSP-320-12 |
|
輸出 |
直流電壓 |
2.5V |
3.3V |
4V |
5V |
7.5V |
12V |
額定電流 |
60A |
60A |
60A |
60A |
40A |
26.7A |
|
電流範圍 |
0 ~ 60A |
0 ~ 60A |
0 ~ 60A |
0 ~ 60A |
0 ~ 40A |
0 ~ 26.7A |
|
額定功率 |
150W |
198W |
240W |
300W |
300W |
320.4W |
|
紋波與雜訊(最大) 備註2 |
100mVp-p |
100mVp-p |
100mVp-p |
150mVp-p |
150mVp-p |
150mVp-p |
|
電壓調整範圍 |
2.35 ~ 2.85V |
2.97 ~ 3.8V |
3.7 ~ 4.3V |
4.5 ~ 5.5V |
6 ~ 9V |
10 ~ 13.2V |
|
電壓精度 備註3 |
±2.0% |
±2.0% |
±2.0% |
±2.0% |
±2.0% |
±1.0% |
|
線性調整率 |
±0.5% |
±0.5% |
±0.5% |
±0.5% |
±0.5% |
±0.3% |
|
負載調整率 |
±1.5% |
±1.5% |
±1.0% |
±1.0% |
±1.0% |
±0.5% |
|
啟動、上升時間 |
1500ms, 50ms/230VAC 3000ms, 50ms/115VAC(滿載時) |
||||||
保持時間(Typ.) |
8ms(滿載時) 230VAC /115VAC |
||||||
輸入 |
電壓範圍 備註4 |
88 ~ 264VAC或 124 ~ 370VDC |
|||||
頻率範圍 |
47 ~ 63Hz |
||||||
功率因數(Typ.) |
PF>0.95/230VAC PF>0.98/115VAC(滿載時) |
||||||
效率(Typ.) |
75.5% |
79.5% |
81% |
83% |
88% |
88% |
|
交流電流(Typ.) |
2.7A/115VAC 1.5 A/230VAC |
4A/115VAC 2A/230VAC |
|||||
浪湧電流(Typ.) |
20A/115VAC 40A/230VAC |
||||||
漏電流 |
<1.0mA / 240VAC |
||||||
保護 |
過負載 |
額定輸出功率的105 ~ 135% |
|||||
保護類型:打嗝模式,異常條件移除後可自動恢復 |
|||||||
過電壓 |
2.88 ~ 3.38V |
3.8 ~ 4.5V |
4.5 ~ 5.3V |
5.75 ~ 6.75V |
9.4 ~ 10.9V |
13.8 ~ 16.2V |
|
保護類型 :關閉輸出電壓,重啟後恢復 |
|||||||
過溫度 |
關閉輸出電壓,溫度下降後自動恢復 |
||||||
環境 |
工作溫度 |
-30 ~ +70℃ (請參考"減額曲線") |
|||||
工作濕度 |
20 ~ 90% RH無冷凝 |
||||||
存儲溫度、濕度 |
-40 ~ +85℃, 10 ~ 95% RH |
||||||
溫度係數 |
±0.03%/℃ (0 ~ 50℃) |
||||||
耐振動 |
10 ~ 500Hz, 2G 10分鐘/週期, X、Y、Z軸各60分鐘 |
||||||
操作海拔高度 |
5000 米 |
||||||
安規和電磁相容(備註6) |
安全規範 |
UL62368-1,TUV BS EN/EN62368-1,CCC GB4943.1, EAC TP TC 004,BSMI CNS15598-1,AS/NZS 60950.1, IS13252(Part1)/IEC60950-1(除2.5V,48V), Dekra EN 61558-1/2-16,IEC 61558-1/2-16(僅12V or higher models) 認證通過 |
|||||
耐壓 |
I/P-O/P:3KVAC I/P-FG:2KVAC O/P-FG:0.5KVAC |
||||||
絕緣阻抗 |
I/P-O/P, I/P-FG, O/P-FG:100M Ohms / 500VDC / 25℃/ 70% RH |
||||||
電磁相容發射 |
符合BS EN/EN55032 (CISPR32) Class B, BS EN/EN61000-3-2,-3,GB9254 Class B, GB17625.1,EAC TP TC 020, CNS15936, KN 32(only for 5V) |
||||||
電磁相容抗擾度 |
符合BS EN/EN61000-4-2,3,4,5,6,8,11, BS EN/EN55035, 輕工業標準,EAC TP TC 020 |
||||||
其它 |
MTBF |
1826.4K hrs min. Telcordia SR-332 (Bellcore) ; 192.9K hrs min. MIL-HDBK-217F (25℃) |
|||||
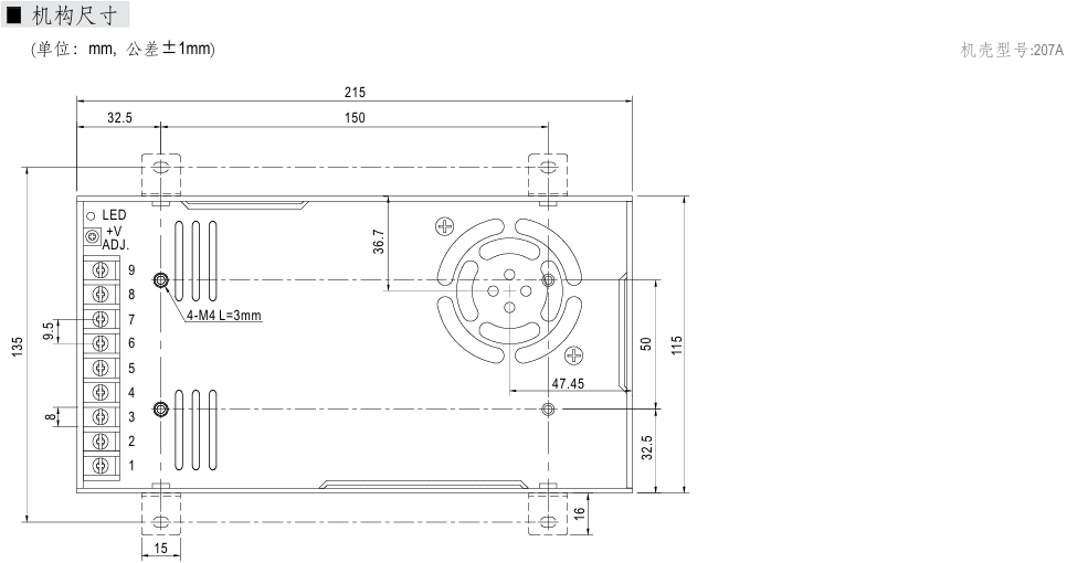
尺寸 |
215*115*30mm (L*W*H) |
||||||
包裝 |
0.9Kg; 15pcs/14.5Kg/0.67CUFT |
||||||
備註 |
電源需結合終端設備進行電磁相容相關確認。有關EMC測試操作指導,請參閱“元件電源供應器的EMI測試”。
※ 產品免責聲明:詳情請參閱 http://www.meanwell.cc/serviceDisclaimer.aspx
|
||||||

